Phát hiện thấy 16 chủ đề liên quan đến chủ đề bản vẽ lắp ê tô.
























![2021] ETO KẸP BÀN CENTURY - TUỲ CHỌN SIZE (50, 60, 70, 80mm) - HÀNG CHUYÊN DÙNG CHẤT 2021] Eto Kẹp Bàn Century - Tuỳ Chọn Size (50, 60, 70, 80Mm) - Hàng Chuyên Dùng Chất](https://vn-test-11.slatic.net/p/c4542eaa3ae5aea60d9ee56e0569699d.png_800x800Q100.jpg)


















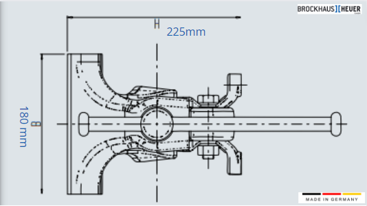
bản vẽ lắp ê tô
Bản vẽ lắp ê tô là một loại bản vẽ kỹ thuật mô tả một sản phẩm máy móc hay thiết bị công nghiệp bằng cách liên kết và lắp ráp các bộ phận thành một đơn vị hoàn chỉnh. Bản vẽ lắp ê tô rất quan trọng trong sản xuất máy móc và thiết bị công nghiệp, giúp đảm bảo sự chính xác và hiệu suất của sản phẩm.
Các yếu tố cần có trong bản vẽ lắp ê tô
Bản vẽ lắp ê tô cần phải có đầy đủ các yếu tố để đảm bảo sự chính xác và đầy đủ thông tin. Các yếu tố cần có trong bản vẽ lắp ê tô bao gồm:
– Kích thước và hình dạng của các bộ phận và các chi tiết lắp ráp
– Số lượng, vị trí và hình dạng các lỗ, ren, ốc vít, bulong
– Thông tin về các bộ phận, vật liệu, độ chính xác, độ cứng
– Các mũi, các phần chắn ngang, các cách điện và các yếu tố khác
Phương pháp vẽ bản vẽ lắp ê tô
Bản vẽ lắp ê tô có thể được vẽ bằng tay hoặc sử dụng các phần mềm vẽ CAD như AutoCAD hay SolidWorks. Khi vẽ bằng tay, những người vẽ cần phải có tay nghề và kinh nghiệm vẽ kỹ thuật. Khi vẽ bằng phần mềm, người vẽ cần phải nắm vững các kiến thức về sử dụng phần mềm này.
Cách đọc và hiểu bản vẽ lắp ê tô
Để đọc và hiểu bản vẽ lắp ê tô, người đọc cần phải biết các quy tắc về ký hiệu, đọc kích thước và biết cách tìm hiểu các thông tin về vật liệu và mũi. Ngoài ra, người đọc cần phải có kinh nghiệm cần thiết về các bộ phận và nắm vững các kiến thức kỹ thuật.
Sử dụng bản vẽ lắp ê tô trong sản xuất như thế nào?
Bản vẽ lắp ê tô được sử dụng trong quá trình sản xuất để hướng dẫn cho người lắp ráp hiểu rõ hơn về cách lắp ráp các chi tiết và các bộ phận, từ đó tạo thành một sản phẩm hoàn chỉnh và đạt được hiệu quả cao. Để sử dụng bản vẽ lắp ê tô trong sản xuất, cần phải đảm bảo rằng người lắp ráp đã hiểu đủ thông tin trên bản vẽ và có đủ tay nghề để lắp ráp sản phẩm.
FAQs
1. Bản vẽ chi tiết Ê to bạn có nghĩa là gì?
Bản vẽ chi tiết Ê to là một loại bản vẽ kỹ thuật mô tả các chi tiết của sản phẩm Ê to.
2. Vẽ tách chi tiết từ bản vẽ lắp là gì?
Vẽ tách chi tiết từ bản vẽ lắp là quá trình vẽ ra các bộ phận riêng biệt trên bản vẽ kỹ thuật để sản xuất.
3. Bản vẽ lắp vẽ kỹ thuật có nghĩa là gì?
Bản vẽ lắp vẽ kỹ thuật là một loại bản vẽ kỹ thuật mô tả cách lắp ráp các bộ phận của sản phẩm.
4. Ê tô máy mài Đồ họa 2 là gì?
Ê tô máy mài Đồ họa 2 là một loại sản phẩm kỹ thuật được sử dụng trong sản xuất, các chi tiết trong sản phẩm cần phải được lắp ráp với nhau để tạo thành sản phẩm hoàn chỉnh.
5. Bản vẽ cad e tô là gì?
Bản vẽ CAD ê tô là một loại bản vẽ kỹ thuật được thiết kế trên phần mềm CAD nhằm mô tả các chi tiết của sản phẩm ê tô.
6. Ê tô là gì?
Ê tô là một loại sản phẩm kỹ thuật được sử dụng trong sản xuất máy móc và thiết bị công nghiệp.
7. Nê nê a nó ê tô bản vẽ lắp ê tô là gì?
“Nê nê a nó ê tô” trong tiếng Việt thường được gọi là tên sản phẩm hoặc tên một trong các bộ phận của sản phẩm, bản vẽ lắp ê tô mô tả cách lắp ráp các chi tiết của sản phẩm này.
Từ khoá người dùng tìm kiếm: bản vẽ lắp ê tô Bản vẽ cad e tô, Bản vẽ chi tiết Ê to, Vẽ tách chi tiết từ bản vẽ lắp, Ê to máy mài Đồ họa 2, Ê tô, Bản vẽ lắp vẽ kỹ thuật, Ê tô là gì, Nê nê a nó ê tô
Tag: Album 46 – bản vẽ lắp ê tô
CAD NX12- Tạo bản vẽ lắp ráp Ê tô
Xem thêm tại đây: cacanh24.com
Link bài viết: bản vẽ lắp ê tô.
Xem thêm thông tin về chủ đề bản vẽ lắp ê tô.
- [PDF]VẼ KỸ THUẬT – BẢN VẼ LẮP.pdf – tailieuMienPhi
- Nội dung bản vẽ lắp – DỰNG HÌNH CƠ BẢN – 123doc
- Chuong10s Cokhi | PDF – Scribd
- CATIA BKHN – Đáp án SBT Đồ họa Kỹ thuật 2 của trường …
Categories: https://cacanh24.com/category/img blog
